Ríomhphost Linn
Táirgí
Comhla Toggle Aeir TAC
  • Comhla Toggle Aeir TACComhla Toggle Aeir TAC

Comhla Toggle Aeir TAC

Mar an monarú gairmiúil, ba mhaith le OLK comhla scorán neomatach TAC a sholáthar duit. Agus tabharfaidh Olk an tseirbhís iar-dhíolacháin agus seachadadh tráthúil duit.

Is comhpháirt lasctha beachtais é an comhla toggle neomatach TAC (ar a dtugtar comhla lasc freisin) atá deartha go speisialta le haghaidh córais neomatacha agus rialú sreabhach. Leis an struchtúr rialaithe uathúil de chineál toggle, baineann sé amach athrú tapa agus rialú beacht ar chosáin sreabhach.

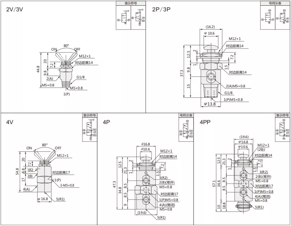
Tá 2 bhealach 2 bhealach, 2 bhealach 3 bhealach agus 2 bhealach ag comhla scorán TAC.

Cásanna iarratais

Trealamh uathoibrithe tionsclaíoch, próiseáil mheicniúil, próiseáil ábhar tógála, fuinneamh agus mianadóireacht, tionscal bia agus dí, trealamh leighis, etc.

Gnéithe Táirgí

Tá sé beag ó thaobh méide de, is beag spás suiteála a theastaíonn uaidh, agus tá sé iomasach chun oibriú de láimh, rud a chiallaíonn go bhfuil sé oiriúnach do chásanna a dteastaíonn athrú go minic uathu.

Siombail agus imlíne comhla toggle tac

Cód odering

Tac

2

__

2

P

 

 

 

 

 

Comhla Toggle Series TAC

 

 

2: 2position 2 bhealach (M5)

P: Cineál cnaipe brú-tarraingthe

 

 

 

3: 2 Seasamh 3 Bealach (M5)

V: Cineál luamháin láimhe

 

 

 

4: 2 Powity 5 Way (M5)

PP: Cnaipe Dúbailte-Pull

 

 

 

31: 2 Seasamh 3 Bealach (G1/8)

 

 

 

 

41: 2 Powity 5 Bealach (G1/8)

 

 

Múnla

Méid an chalafoirt

 

Uimhir a chur ar
ina shuíomh

Éifeachtach  
limistéar trasghearrthach

Brú brú

Sreabhán oibre

Comhthiom Go
Teocht

 

TAC-2V

Inlet = asraon = m5   

2 Seasamh 2 Bealach

1.9mm²

0.05 ~ 0.9PPA

Aer a ligean isteach i

0 ~ 60

TAC-2P

Inlet = asraon = m5   

2 Seasamh 2 Bealach

1.9mm²

TAC-3V

Inlet = asraon = m5   

2 Seasamh 3 Bealach

1.9mm²

TAC-3P

Inlet = asraon = m5   

2 Seasamh 3 Bealach

1.9mm²

TAC-4V

Inlet = asraon = m5   

2 Seasamh 5 Bealach

1.9mm²

TAC-4P

Inlet = asraon = m5   

2 Seasamh 5 Bealach

1.9mm²

4pp

G1/8

 

2 Seasamh 5 Bealach

4.5mm²

TAC2-31V

Inlet = asraon = sceite = G1/8   

2 Seasamh 3 Bealach

4.5mm²

TAC2-31P

Inlet = asraon = sceite = G1/8   

2 Seasamh 3 Bealach

4.5mm²

TAC2-41V

Inlet = asraon = g1/8 sceite = m5

2 Seasamh 5 Bealach

4.5mm²

TAC2-41P

Inlet = asraon = g1/8 sceite = m5

2 Seasamh 5 Bealach

4.5mm²

Tac2-41pp

Inlet = asraon = g1/8 sceite = m5

2 Seasamh 5 Bealach

4.5mm²

Ceisteanna Coitianta:

Cad é an difríocht idir comhla toggle agus comhla meicniúil?

Is féidir é a idirdhealú idir an comhla toggle agus an comhla meicniúil de réir cineál rialaithe: Is é an comhla toggle ná cineál gabháltas luamháin, is é an comhla meicniúil cineál cnaipe brúite nó cineál sorcóir

 

Cad é an difríocht idir comhla toggle agus comhlaí eile?

Rialú beacht: Baineann comhlaí toggle rialachán sreafa mín amach trí chroí comhla cónúil, atá oiriúnach do rialú beacht i bpíblínte beaga trastomhas, agus tá comhlaí liathróid níos oiriúnaí le haghaidh oibríochtaí oscailte agus dúnta go tapa.

Hot Tags: Comhla Toggle Aeir TAC, an tSín, Monaróir, Soláthraí, Monarcha
Seol Fiosrúchán
Eolas teagmhála
Fáilte go dtí ár suíomh Gréasáin! Le haghaidh fiosrúcháin faoi ár dtáirgí nó ár pricelist, le do thoil fág do r-phost chugainn agus beidh muid i dteagmháil laistigh de 24 uair an chloig.
R-phost
cici@olkptc.com
Soghluaiste
+86-13736765213
Seoladh
Bóthar Zhengtai, Crios Tionscail Xinguang, Liushi, Yueqing, Wenzhou, Zhejiang, an tSín.
X
Úsáidimid fianáin chun eispéireas brabhsála níos fearr a thairiscint duit, chun anailís a dhéanamh ar thrácht an tsuímh agus chun inneachar a phearsantú. Trí úsáid a bhaint as an suíomh seo, aontaíonn tú lenár n-úsáid a bhaint as fianáin. Beartas Príobháideachta
Diúltaigh Glac