Ríomhphost Linn
Táirgí
Lúibín gléasta CL Clevis
  • Lúibín gléasta CL ClevisLúibín gléasta CL Clevis

Lúibín gléasta CL Clevis

Model:CB32
Seo a leanas réamhrá ar lúibín gléasta CL Clevis, OLK Dóchas Aeir chun cabhrú leat tuiscint níos fearr a fháil ar lúibín gléasta CL Clevis. Fáilte roimh chustaiméirí nua agus sean -chustaiméirí chun leanúint ar aghaidh ag comhoibriú linn chun todhchaí níos fearr a chruthú le chéile!

Cuideachta neomatach OLK cluaise dúbailte cúil Clevis Clevis Clevis Lúibín le haghaidh Sraith Sraith Sorcóir Aeir. córais gluaiseachta go minic.CB Clevis Lúibín gléasta atá oiriúnach do shorcóirí aeir, ualaí tromshaothair, nó feidhmchláir dhinimiciúla.

Iarratas:

Lúibín gléasta CL Clevis a úsáidtear go forleathan i dtrealamh priontála, innealra bia, línte pacáistithe, agus gléasanna eile a dteastaíonn naisc ar snámh uathu ag an deireadh ag gluaiseacht.

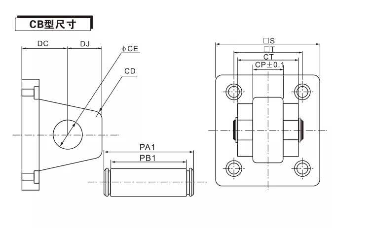
Méid lúibín gléasta CLis Clevis:

Cód / Trastomhas Trom

32

40

50

63

80

100

125

160

200

CC

19

19

19

19

32

32

50

55

60

CD.

5

5

3

3

8

8

8

9

9

Ceitice

12

14

14

14

20

20

25

30

30

Cj

13

13

15

15

21

21

31

35.5

36

CP

16.3

20.3

20.3

20.3

32.3

32.3

70

90

90

Ct

32

44

52

52

64

64

130

170

170

PA1

41

51.8

60.3

60.3

73.8

73.8

139

181

181

Pb1

33.5

45.5

54

54

65.5

65.5

131.5

171.5

171.5

S

48

50

62

75

94

112

140

180

220

T

33

37

47

56

70

84

110

140

175


Ceisteanna Coitianta:

Cén sorcóir aeir is féidir a úsáid ar lúibín gléasta CL Clevis?

Socraítear suíomh suiteála na gceithre pholl snáithithe agus ní féidir é a úsáid ach le haghaidh sorcóirí SC,


Conas Clevis Sorcóir SL a shuiteáil ar an sorcóir SC?

Ceithre scriúnna a ailíniú leis na ceithre pholl snáithithe ag bun an tsorcóra SC, socraigh a bpoist le scriúnna, agus ar deireadh níos doichte gach poll snáithithe in ord seicheamh


Cad é an difríocht idir CA agus SL?

Is clevis singil é CA Clevis, is clevis dúbailte é SL Clevis.


An bhfuil scriúnna sa lúibín gléasta CL Clevis?

Sonraíochtaí difriúla de sorcóir SL Clevis Mount Baineann scriúnna éagsúla úsáid as. Téigh i gcomhairle le díolacháin le haghaidh fiosrúcháin agus luachana ar leith le do thoil


Hot Tags: CB Clevis Lúibín Gléasta, an tSín, Monaróir, Soláthraí, Monarcha
Seol Fiosrúchán
Eolas teagmhála
Fáilte go dtí ár suíomh Gréasáin! Le haghaidh fiosrúcháin faoi ár dtáirgí nó ár pricelist, le do thoil fág do r-phost chugainn agus beidh muid i dteagmháil laistigh de 24 uair an chloig.
R-phost
cici@olkptc.com
Soghluaiste
+86-13736765213
Seoladh
Bóthar Zhengtai, Crios Tionscail Xinguang, Liushi, Yueqing, Wenzhou, Zhejiang, an tSín.
X
Úsáidimid fianáin chun eispéireas brabhsála níos fearr a thairiscint duit, chun anailís a dhéanamh ar thrácht an tsuímh agus chun inneachar a phearsantú. Trí úsáid a bhaint as an suíomh seo, aontaíonn tú lenár n-úsáid a bhaint as fianáin. Beartas Príobháideachta
Diúltaigh Glac